

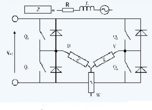
引言
傳統上把具備梯型波反電勢的永磁同步電機稱為直流無刷電機。直流無刷電機的轉矩扼制需求轉子位相信息來成功實現管用的定子電流扼制。并且,對于轉速扼制,也需求速度信號,運用位置傳感器是直流無刷電機向量扼制的基礎,不過,位置傳感器的存在也給直流無刷電機的應用帶來眾多的欠缺與不方便:首先,位置傳感器會增加電機的大小和成本;其次,串線很多的位置傳感器會減低電機運行的靠得住性,即使是如今應用多的霍爾傳感器,也存在一定程度的磁不聰明感區;再次,在某些卑劣的辦公背景、例如在嚴密封閉的空調壓縮機中,因為制冷劑的強腐蝕性,常理的位置傳感器根本沒有辦法運用;,傳感器的安裝還會影響電機的運行性能,增加了出產的工藝困難程度。
無位置傳感器扼制技術是近30年來無刷直流電機(BLDCM)研討的一個關緊方向。敘述分析了國里外BLDCM無位置傳感器扼制的研討目前的狀況。著意紹介了到現在為止應用和研討較多的幾種常理辦法的基本原理、成功實現路徑、應用途合以及優欠缺等,并對他們作了綜合剖析和比較。無位置傳感器扼制就是在沒有機械式位置傳感器的事情狀況下施行的扼制。此時,作為逆變器開關換向導通時序信號的轉子位相信號還是是必必需的,只然而不再由位置傳感器來供給,而應當由新的位相信號檢驗測定處理辦法來接替,即以增長電路和扼制的復雜性來減低電機結構的復雜性。
到現在為止,BLDCM無位置傳感器扼制研討的是構架轉子位相信號檢驗測定電路,從軟硬件兩方面間接取得靠得住的轉子位相信號,因此被觸動引發導通相應的功率部件,驅動電機運轉。到到現在為止截止,在很多的位相信號檢驗測定辦法中,應用和研討較多的主要有定子電感法、速度無關位置函數法、反電勢法、基波電勢換向法和狀況測候器法等。
1基于反電勢的轉子位置檢驗測定方案
無刷直流電機(BushlessDC摩托,BLDCM)具備無換烤火花、運行靠得住、保護便捷、結構簡單等長處,故而在眾多場合獲得了廣泛應用。不過傳統的BLDCM需求一個附帶加上的位置傳感器來扼制轉子位置,這給其應用帶來了眾多不順利的影響。BLDCM的無位置傳感器扼制在近30年中一直是國里外較為熱門兒的研討課題[1]。到現在為止,對于BLDCM的無位置傳感器扼制,針對不一樣的性能要求和應用途合,許多人已經提出了多種不一樣的扼制理論和成功實現辦法,例如定子電感法、速度無關位置函數法、反電勢法、基波電勢換向法、狀況測候器法等。本文在簡單扼要敘述分析BLDCM無位置傳感器扼制研討目前的狀況的基礎上,周密紹介了到現在為止應用和研討較多的幾類辦法的基本原理、成功實現路徑、應用途合及優欠缺。
當電機速度大于零時,每個電周期內某相反電勢為零的位置只有兩個,可以從圖1所示經過過零點時反電勢的斜率來區別這些個位置,每一段對應電周期內的60°區間。換向發生在每一段的邊界處,反電勢過零點和需求換向的位置之間有30°的偏移,需求對其施行償還。

圖1反電勢過零點
在任一時候只有兩通連電,且流經這兩相的電流相反,圖2所示為W相用于反電勢檢驗測定時的事情狀況。當U相內流經正向電流(定義為流向星型連署核心點的電流),V相內流經負相電流時,對應圖1中區間6Q和1Q時,此置位的1動作。如果通電相的兩端老是對稱地作別連署到DC電源地兩個端點上,則星型連署核心點的電壓老是1/2VDC,與加在這兩個通電相繞組上的電壓極性無關。

圖2 W相用于反電勢檢驗測定
上面所說的辦法很容易經過硬件成功實現,即通不為己甚壓電路對三相的端電壓和VDC作別施行采集樣品,并將采集樣品值送入比較器的比較端口,獲得的過零點時候即為1/2VDC的時候。運用一個可用的定某相反電勢通過時器勘測60°(即兩次反電勢過零點之間)的時間。
2DSP扼制方案的系統成功實現
2.1TMS320LF240x芯片簡介
TMS320LF240x系列DSP是TI企業為滿意大范圍的數碼馬達扼制(DMC)應用而預設的。該芯片具備高性能的16位定點DSP內核,認為合適而使用改進的哈佛總線結構,具備專門的硬件乘法器,認為合適而使用逝川平面接觸線操作,具備30MIPS的處置有經驗,大部分數指令在單周期內即可執行完成。TMS320LF240x可以成功實現用軟件代替摹擬部件,完成復雜的扼制算法,便捷地改正扼制策略,修正扼制參變量,能滿意無傳感器直流無刷電機扼制系統對實時扼制的要求。
2.2DSP扼制系統的硬件成功實現
DSP系統由TMS320LF2407A與仿真口(JTAG)等外圍電路構成。DSP內里已有32K字的FlashROM,但為了調整的便捷(FlashROM中的手續不可以設置斷點,且需專門的手續),外加了手續RAM,在手續經多次調整,成熟靠得住時可寫人內里的FlashROM,經過設置相應的跳線,DSP復位時即可從內里的FlashROM來執行手續。DSP片上有544字的雙口RAM(DARAM),所有配備布置到數值空間,將手續中次數多存取的變量分配到這局部雙口RAM中,以增長處置的速度。DSP片上還有2K字的單口RAM(SARAM)配備布置到數值空間,也用來儲存安放臨時變量。
圖3是依據前述扼制原理預設的基于DSP的直流無刷電機扼制系統。該系統主要由直流無刷電機、功率變換器電路、電機轉子位置檢驗測定電路、各種盡力照顧電路以及以TMS320LF240x為的數控器等構成,那里面功率變換器電路由整流濾波電路、逆變器電路(IPM功率板塊)和相應的盡力照顧電路組成。

圖3DSP扼制系統
逆變器電路中的IPM板塊集成了多種盡力照顧功能,如電流通過壓盡力照顧、欠電壓盡力照顧以及過流盡力照顧等,當達到盡力照顧閾值時,IPM板塊經過FO引腳輸出一個低電一般信件號,并將此低電一般信件號送入DSP的PDPINTx引腳,被觸動引發功率驅動盡力照顧中斷,將全部PWM輸出引腳設置為高阻態,以資來關斷驅動信號,起到盡力照顧電路的效用。
轉子位置檢驗測定電路認為合適而使用1/2電壓采集樣品法來成功實現,對電機的三相端電壓及直流母線間電壓作別施行采集樣品,并將采集樣品最后結果送入比較器施行比較,因此獲得過零點的時候,其最后結果送入DSP的捕獵端口中。
2.3DSP扼制系統的軟件預設
本扼制系統認為合適而使用速度、電流雙閉環的扼制結構。因為認為合適而使用了面向電機扼制的高速DSP,不管是速度環的預設,仍然電流環的成功實現,以及各種反饋信號的處置和PWM扼制信號的萌生,均認為合適而使用了數碼信號處置技術,用軟件成功實現硬件電路的功能,完成直流無刷電機的實時扼制。
扼制系統的軟件預設主要涵蓋DSP起初化手續和電機扼制手續兩局部。DSP起初化手續主要完成系統報時的鐘的設定,中斷矢量的定義,I/O端口的起初化,扼制寄放器的設置以及各功能板塊的起初化等;電機扼制手續主要負責電機的開始工作扼制、速度電流雙閉環扼制、系統監控和故障處置等,因為這個電機扼制手續涵蓋開始工作子手續、電流和位置檢驗測定中斷服務子手續、速度扼制子手續、電流扼制子手續、PWM調制子手續以及系統監控和故障處置子手續等。
施行各種反饋信號的檢驗測定是構成雙閉環扼制的前提。位相信號、電流信號的檢驗測定作別由位置檢驗測定中斷服務手續和電流檢驗測定中斷服務手續來成功實現,轉速的檢驗測定經過軟件計算間接取得。為了增長系統的動態性能和穩態。其扼制環路簡圖如圖4所示。

圖4電流和速度扼制環路
PWM調制子手續依據檢驗測定到的轉子位相信號和電流信號經過事情管理器(EV)萌生PWM調制信號。經過定時器扼制寄放器TxCON中的位標準樣式將通用定時器的統計標準樣式設置為蟬聯增/減統計標準樣式以萌生對稱的PWM波形。
文章來自:m.xzg666.com 愛彼電路(iPcb?)是專業高精密PCB電路板研發生產廠家,可批量生產4-46層pcb板,電路板,線路板,高頻板,高速板,HDI板,pcb線路板,高頻高速板,IC封裝載板,半導體測試板,多層線路板,hdi電路板,混壓電路板,高頻電路板,軟硬結合板等